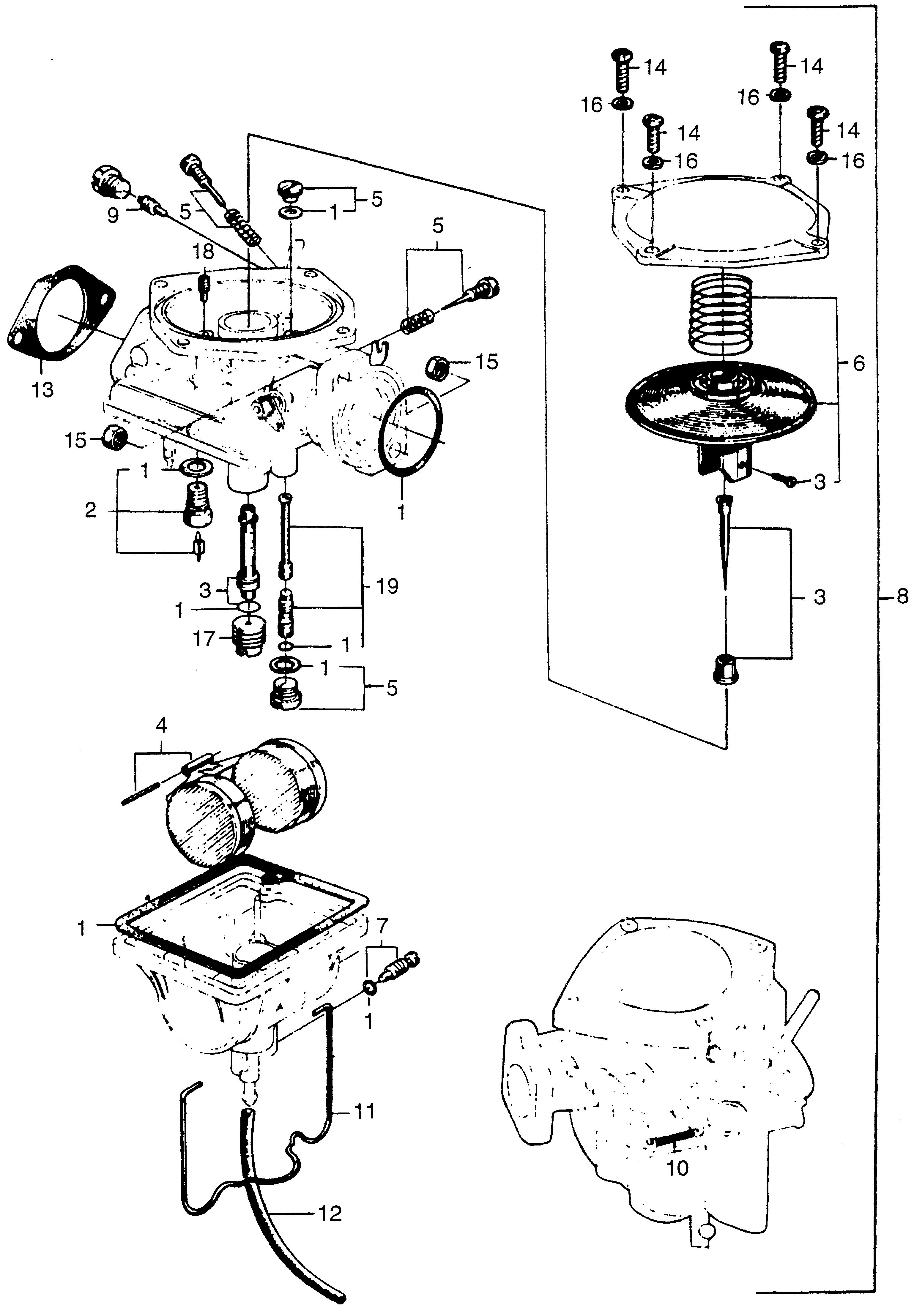
Generators E E1500 E1500 A E1500-123001-1171000 E1500 CARBURETOR - Formula H Motorworks, Inc.

Ref No
Part Number
Description
Serial Range
Qty
Price

Ref No
1
Part Number
16010-822-004
Description
GASKET SET (NOT AVAILABLE)
Serial Range
1000001 - 9999999

Ref No
2
Part Number
16011-816-004
Description
VALVE SET, FLOAT
Serial Range
1000001 - 9999999

Ref No
3
Part Number
16012-822-004
Description
NEEDLE SET, JET (NOT AVAILABLE)
Serial Range
1000001 - 9999999

Ref No
4
Part Number
16013-822-004
Description
FLOAT SET (NOT AVAILABLE)
Serial Range
1000001 - 9999999

Ref No
5
Part Number
16016-707-004
Description
SCREW SET A (NOT AVAILABLE)
Serial Range
1000001 - 9999999

Ref No
6
Part Number
16022-822-601
Description
VALVE SET, THROTTLE (NOT AVAILABLE)
Serial Range
1000001 - 9999999

Ref No
7
Part Number
16024-707-004
Description
SCREW SET, DRAIN (NOT AVAILABLE)
Serial Range
1000001 - 9999999

Ref No
8
Part Number
16100-822-680
Description
CARBURETOR ASSY. (NOT AVAILABLE)
Serial Range
1000001 - 9999999

Ref No
9
Part Number
16169-822-014
Description
SCREW, PILOT STOP
Serial Range
1000001 - 9999999

Ref No
10
Part Number
16183-822-004
Description
SPRING, PISTON
Serial Range
1000001 - 9999999

Ref No
11
Part Number
16187-822-004
Description
CLIP, FLOAT CHAMBER
Serial Range
1000001 - 9999999

Ref No
12
Part Number
16235-805-000
Description
PIPE, OVERFLOW
Serial Range
1000001 - 9999999

Ref No
12
Part Number
95001-35003-60M
Description
BULK HOSE, FUEL (3.5X3000) (3.5X150)
Serial Range
1000001 - 9999999
Qty
Price
$29.44

Ref No
13
Part Number
16269-822-000
Description
GASKET, AIR CLEANER (NOT AVAILABLE)
Serial Range
1000001 - 9999999

Ref No
14
Part Number
93500-05012-0B
Description
SCREW, PAN (5X12)
Serial Range
1000001 - 9999999
Qty
Price
$1.58

Ref No
15
Part Number
94001-06000-0S
Description
NUT, HEX. (6MM)
Serial Range
1000001 - 9999999

Ref No
15
Part Number
94001-06200-0S
Description
NUT, HEX. (6MM)
Serial Range
1000001 - 9999999
Qty
Price
$1.60

Ref No
16
Part Number
94111-05000
Description
WASHER, SPRING (5MM)
Serial Range
1000001 - 9999999
Qty
Price
$1.38

Ref No
17
Part Number
99114-822-0680
Description
JET, MAIN (#68) (NOT AVAILABLE)
Serial Range
1000001 - 9999999

Ref No
17
Part Number
99114-822-0700
Description
JET, MAIN (#70) (NOT AVAILABLE)
Serial Range
1000001 - 9999999

Ref No
17
Part Number
99114-822-0720
Description
JET, MAIN (#72) (NOT AVAILABLE)
Serial Range
1000001 - 9999999

Ref No
17
Part Number
99114-822-0750
Description
JET, MAIN (#75) (NOT AVAILABLE)
Serial Range
1000001 - 9999999

Ref No
17
Part Number
99114-822-0780
Description
JET, MAIN (#78) (NOT AVAILABLE)
Serial Range
1000001 - 9999999

Ref No
17
Part Number
99114-822-0800
Description
JET, MAIN (#80)
Serial Range
1000001 - 9999999

Ref No
17
Part Number
99114-822-0820
Description
JET, MAIN (#82) (NOT AVAILABLE)
Serial Range
1000001 - 9999999

Ref No
17
Part Number
99114-822-0850
Description
JET, MAIN (#85)
Serial Range
1000001 - 9999999

Ref No
18
Part Number
99134-823-0700
Description
JET, AIR (#70)
Serial Range
1000001 - 9999999

Ref No
19
Part Number
99204-822-0450
Description
JET SET, PILOT (#45) (NOT AVAILABLE)
Serial Range
1000001 - 9999999